貝特機械-大型腳輪生產廠家
30年專業(yè)從事重型腳輪等產品的生產和銷售
全國咨詢熱線: 13907327869


| 輪徑 (英寸) | 輪寬 (英寸) | 車輪材料 | 載重 (磅) | 軸承類型 | 總高度 (英寸) | 偏轉半徑 (英寸) | 腳輪代號 | |
| 旋轉 | 固定 | |||||||
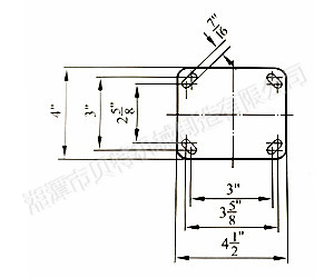
| 4 | 2 | 鐵芯橡膠 | 350 | 滾針軸承 | 5 5/8 | 3 3/16 | MR42S | MR42R |
| 鐵芯聚氨酯 | 700 | PU42S | PU42R | |||||
| 鑄鐵 | 700 | SS42S | SS42R | |||||
| 鐵芯尼龍 | 350 | MN42S | MN42R | |||||
| 酚醛 | 500 | PH42S | PH42R | |||||
| V-型鑄鐵 | 800 | VG42S | VG42R | |||||
| 5 | 2 | 鐵芯橡膠 | 400 | 滾針軸承 | 6 1/2 | 3 7/8 | MR52S | MR52R |
| 鐵芯聚氨酯 | 900 | PU52S | PU52R | |||||
| 鑄鐵 | 900 | SS52S | SS52R | |||||
| 鐵芯尼龍 | 400 | MN52S | MN52R | |||||
| 酚醛 | 550 | PH52S | PH52R | |||||
| V-型鑄鐵 | 900 | VG52S | VG52R | |||||
| 6 | 2 | 鐵芯橡膠 | 450 | 滾針軸承 | 7 2/1 | 4 9/16 | MR62S | MR62R |
| 鐵芯聚氨酯 | 900 | PU62S | PU62R | |||||
| 鑄鐵 | 900 | SS62S | SS62R | |||||
| 鐵芯尼龍 | 450 | MN62S | MN62R | |||||
| 酚醛 | 600 | PH62S | PH62R | |||||
| V-型鑄鐵 | 1000 | VG62S | VG62R | |||||
| 8 | 2 | 鐵芯橡膠 | 550 | 滾針軸承 | 9 2/1 | 6 | MR82S | MR82R |
| 鐵芯聚氨酯 | 900 | PU82S | PU82R | |||||
| 鑄鐵 | 900 | SS82S | SS82R | |||||
| 鐵芯尼龍 | 550 | MN82S | MN82R | |||||
| 酚醛 | 650 | PH82S | PH82R | |||||
| V-型鑄鐵 | 1100 | VG82S | VG82R | |||||
| 10 | 2 | 鐵芯橡膠 | 600 | 滾針軸承 | 11 3/8 | 7 | MR102S | MR102R |
| 鐵芯聚氨酯 | 900 | PU102S | PU102R | |||||
| 鑄鐵 | 900 | SS102S | SS102R | |||||
| 鐵芯尼龍 | 600 | MN102S | MN102R | |||||
| 酚醛 | 700 | PH102S | PH102R | |||||
| V-型鑄鐵 | 1200 | VG102S | VG102R | |||||